Dépose-repose De la pompe à huile
La dépose et la repose de la pompe à huile ne présentent pas de difficultés particulières.
Remise en état de la pompe à huile

Douille de centrage de la pompe à huile

Contrôle de la pompe à huile
A. Jeu pignons/ carter - b. Jeu pignons/ couvercle.
Contrôle De la pression d'huile

Lubrification
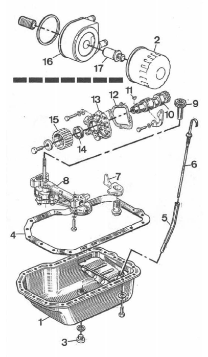
I. Carter d'huile - 2. Filtre à huile - 3. Bouchon de vidange - 4. Joint d'étanchéité - 5. Tube de jauge - 6. Jauge à huile - 7. Gicleur d'huile - 8. Pompe à huile - 9. Pignon de renvoi - 10. Arbre intermédiaire - ii. Clavette - 12. Joint - 13. Flasque d'étanchéité - 14. Bague d'étanchéité - 15. Pignon d'arbre intermédiaire -16. Echangeur huileeau -17. Mamelon entretoise.
Remontage du moteur
RefroidissementDépose-repose
d'un disque
Important : remplacer toujours les
disques de frein par train complet.
Depose
Placerl'arrièreduvéhiculesurchandelles
et déposer les roues.
Déposer les plaquettes de frein
(voir paragraphe concerné).
Déposer les deux vis de fixation
du support ...
Contrôles et réglages
Reglage du regime
de ralenti et de la richesse
Le régime de ralenti et la teneur en
co ne sont pas réglables. En cas
de non conformité, procéder
comme suit :
Contrôler l'étanchéité du circuit de
dépression.
Contrôler le ...
Fonctions de base infotainment
Console centrale avec commandes des fonctions
de base
Sound - pour ouvrir le menu de règlages
audio (graves, aigus, etc.). Pour plus d'informations,
voir page 233.
Vol - tournez pour augmenter ou rèduire
le volume sonore.
Une
courte pression allume le systè ...