Important : le frein de stationnement doit être réglé uniquement lors du remplacement des segments ou des plaquettes, des câbles ou du levier de commande. Tout autre réglage En dehors de ces interventions est inutile et déconseillé.

Réglage du frein de stationnement
1-Ecrou d'arrêt -2. Ecrou de réglage - 3. Palonnier -4. Câbles.

Commande
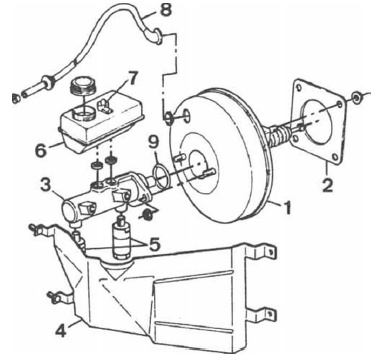
1. Servo-frein - 2. Plaque d'appui - 3. Maitre-cylindre - 4. Plaque de protection - 5. Soupape de sécurité - 6. Réservoir de compensation - 7. Témoin de niveau - 8. Tuyau de prise de dépression.
Contrôle et réglage
du limiteur
Purge du circuit
de freinageBoîte de vitesses automatique powershift 2
D : mode automatique de passage des rapports.
M (+/-) : mode manuel de passage des rapports.
Powershift est une boîte de vitesses à 6 rapports qui, à la différence d'une boîte de vitesses ordinaire dispose de disques d'embrayage mécaniques doubles. Une bo& ...
Outillage
Sous le plancher du coffre à bagages se trouve
l'oeillet de remorquage, le cric* et la clé à boulon
de roue*. Il y a également la place pour la
douille des boulons de roue de blocage.
Cric*
La vis du cric doit toujours être correctement
graissée.
Out ...
Direction assistée assujettie à la vitesse
La résistance de la direction augmente avec la vitesse de la voiture pour augmenter les sensations du conducteur. Sur autoroute, la direction est plus ferme et plus directe. Pour le stationnement et à basse vitesse, la direction est légère et ne requiert aucun effort.
Le ...