Dépose-repose de la pompe à eau
Depose
La pompe à eau n'est pas réparable.
En cas de détérioration de l'une de ses pièces, remplacer la pompe à eau.
Repose

Mise en place du thermostat

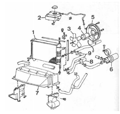
Refroidissement
1. Radiateur -2. Löse d'expansion -3. Ventilateur - 4. Moteur électrique - 5. Support de ventilateur - 6. Pompe à eau électrique anti-percolation - 7. Buse (modèle 480) - 8. Canalisation inférieure (moteurs b 18 kp) - 9. Canalisation inférieure (tous types sauf b 18 kp).

Echappement
A. Moteurs b 18 k et b 18 kp (440 et 460) - b. Moteur b 18 ft (440 et 460) - c. Moteur b 18 ep (440 et 460) - d. Moteur b 18 ft (480) - e. Moteur b 18 ep (480) 1. Tube de descente - 2. Joint - 3. Silencieux avant - 4. Catalyseur - 5. Sonde lambda - 6. Tube intermédiaire -7. Silencieux arrière - 8. Supports élastiques - 9. Collier.
Circuit de refroidissement
Vidange
Remplissage et purge
Lubrification
EmbrayageLimites
Le capteur de city safety est conçu pour
détecter les voitures et autres gros véhicules
situés devant la voiture et fonctionne aussi bien
de jour que de nuit.
Le capteur a toutefois des limites et fonctionne
moins bien en cas de chute de neige importante
ou de for ...
Lavage de la voiture
Lavez la voiture dès qu'elle est sale. Lavez la
voiture sur une plate-forme de lavage avec
séparateur d'huiles. Utilisez du shampooing
pour voiture.
Nettoyez au plus vite les fientes d'oiseaux
tombées sur la peinture. Elles contiennent
des substances chimiques qui att ...
Phares, feux antibrouillards, commande de réglage de portée de phares,
éclairage des instruments
A - projecteurs et feux de
position/de stationnement
Tous les feux
sont éteints.
Voitures équipées de feux de croisement
automatiques :
clé de contact en position ii : feux de
croisement allumés (ainsi que feux de position/
stationnement avant et arri&e ...