Dépose-repose du train arrière
Depose
Pour les anciennes versions, décoller l'ensemble.
Pour les nouvelles versions, déposer l'axe de verrouillage de la butée sur l'essieu et déposer le ressort.
Repose
Pour la repose, procéder dans l'ordre inverse de la dépose et vérifier le réglage du câble de frein de stationnement (voir paragraphe concerné au chapitre " freins ").

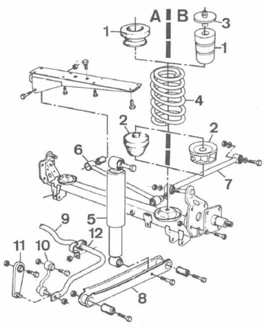
Suspension - train arriere
A. Modèles 480 jusqu'au châssis n' 567599 - b. Modèles 440, 460 et 480 depuis le n' de châssis 567600 1 et 2. Butées de suspension - 3. Coupelle - 4. Ressort - 5. Amortisseur - 6. Barre transversale panhard -7. Bras poussé - 8.Tirant longitudinal - 9. Barre stabilisatrice - 10. Biellette d'accouplement (440 et 460) - 11. Biellette d'accouplement (480) - 12. Palier de barre stabilisatrice - 13. Essieu arrière.

Dépose de l'essieu arrière
1. Bras poussé - 2. Barre transversale panhard - 3. Fixation de la barre sur le châssis - 4. Fixation du bras poussé.
Dépose-repose de la
barre stabilisatrice
Moyeux arriereCaractéristiques moteur
Pour contrôler quel moteur équipe votre voiture, consultez la description de
type
dans le compartiment moteur (page 141, point 3).
* Le moteur peut fonctionner avec un indice d'octane de 91, 95 et 98 ron.
98 Ron recommandé pour une puissance maximum et une consommatio ...
Dépose-repose d'un
élément de suspension
(combiné ressortamortisseur)
Nota : remplacer toujours les amortisseurs
par train complet. Nous vous
conseillons vivement de monter des
amortisseurs de la meilleure qualité
possible. Ceux-ci, en effet, conditionnent
pour une part importante le
bon comportement dynamique du
véhicule.
Depose
Placer l'ava ...
Généralités
Pour éviter d'endommager le système électrique
de la voiture, en cas de court-circuit ou
de surcharge, l'ensemble des fonctions et des
composants électriques est protégé par un
certain nombre de fusibles.
Le non-fonctionnement d'un composant du
syst& ...