Vidange
Remplissage

Bouchon de vidange de la transmission automatique
Controle du niveau
Nota : le niveau d'huile varie avec la température. Les niveaux mini et maxi correspondent à une température de 90 'c, (température normale de fonctionnement).
Pour un contrôle à une température de 30 à 40 'c le niveau doit se situer de 10 à 12 mm sous le repère mini.
Repères indiqués de l'autre côté de la jauge. Si le niveau est au-dessus du repère maxi, l'excès d'huile doit être impérativement vidangé.

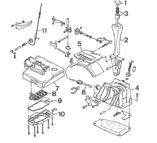
Commande
J. Bouton - 2. Levier de commande - 3. Mécanisme de déverrouillage - 4. Boîtier de levier - s. Plaque d'idéogramme -6. Câble de commande - 1. Bloc hydraulique - 8. Filtre - 9. Joint d'étanchéité - 10. Carter inférieur du bloc - 11. Câble de kick-down (rétrogradaae).

Differentiel
A. Modèles 440 et 460 - b. Modèle 480 1. Planétaires - 2. Satellites - 3. Boîtier de différentiel - 4. Roulements à rouleaux coniques - 5. Pignon d'entraînement du tachymètre - 6. Axe et pignon de renvoi de tachymètre - 7. Cale de réglage - 8. Ecrou de blocage - 9. Bague d'étanchéité - 10. Carter.
Réglage du câble
de commande
Remplacement de la
crépine-filtreTémoin de ceinture de sécurité non bouclée
Un rappel lumineux et sonore incite les personnes
qui n'ont pas bouclé leur ceinture de
sécurité à le faire. Le rappel sonore dépend de
la vitesse et parfois du temps. Le rappel lumineux
est situé dans la console du plafond et
dans le combiné ...
Réglage du câble
de kick-down
(rétrogradage)
Contrôler le fonctionnement correct
de la commande d'ouverture du
papillon des gaz.
Mesurer le jeu entre l'extrémité
de la gaine du câble de kick-down et
le plomb de réglage. Le jeu doit être
compris entre 0,1 et 1,0 mm.
Tourner la came de comm ...
Enregistrement de données
Les systèmes de conduite et de sécurité de la voiture utilisent des ordinateurs qui commandent
et partagent entre eux les informations
concernant les fonctions de la voiture. Un ou
plusieurs de ces ordinateurs peuvent véentuellement
enregistrer des informations sur le ...